پمپ دنده خارجی REXROTH سری AZPS AZPS004 AZPS005 AZPS008 AZPS011 AZPS014 AZPS016 AZPS019 AZPS022 AZPS025 AZPS028
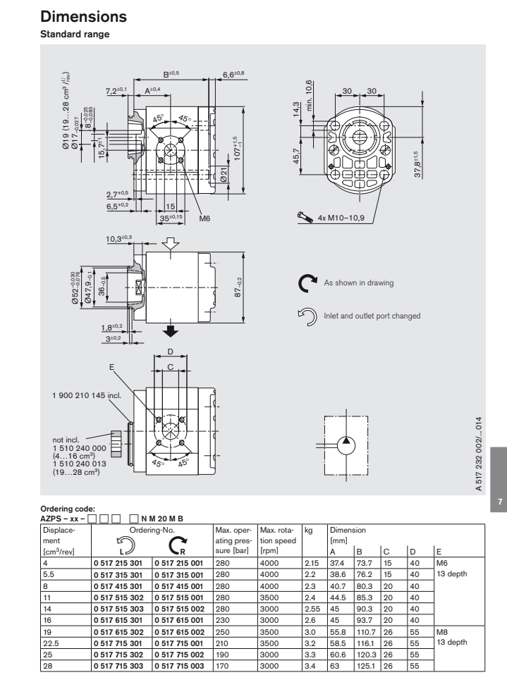
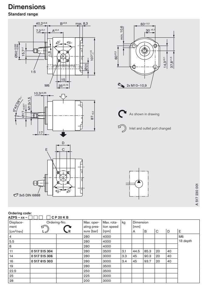
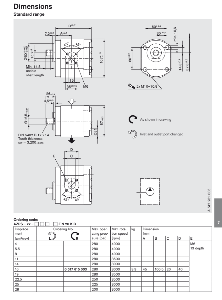
{{0}}.0 سانتیمتر"/دور 005= 5.5 سانتیمتر مکعب/ دور 008= 8.0 سانتیمتر مکعب/برگرد 011=11.{ {12}} cm3/rev 014 =14.0 cm3/rev 016 =16.0 cm3/rev 019 =19.0 cm3/rev 016 =16 {20}}.5 cm3/rev 025=25.0 cm3/rev 028 =28.0 cm3/rev ویژگی ها- فشار اسمی 280 بار- بلبرینگ های لغزنده برای کاربردهای سنگین- محورهای محرک به ISO یا SAE- ترکیب چند پمپ امکان پذیر- پورت های خط: فلنج اتصال یا رزوه پیچ- ضربان فشار بهینه شده با کاهش انتشار نویز و تحریک ارتعاش در سیستم- کیفیت بالا ثابت- عمر طولانی تر به دلیل شفت و بدنه تقویت شده

0 517 325 301 0 517 425 301 0 517 525 301 0 517 525 302 0 517 625 301 0 517 625 302 0 517 725 301 0 517 725 302 0 517 725 303 0 517 225 001 0 517 325 001 0 517 425 001 0 517 525 001 0 517 525 002 0 517 625 001 0 517 625 002 0 517 725 001 0 517 725 002 0 517 725 003 0 517 225 301
|
پمپ دنده ای خارجی سری REXROTH AZPS AZPS004 AZPS005 AZPS008 AZPS011 AZPS014 AZPS016 AZPS019 AZPS022 AZPS025 AZPS028 |









|
|

تگ های محبوب: پمپ دنده خارجی رکسروث سری azps azps004 azps005 azps008 azps011 azps014 azps016 azps019 azps022 azps025 azps028












